|
项目
|
参数
|
|
产品型号 Type
|
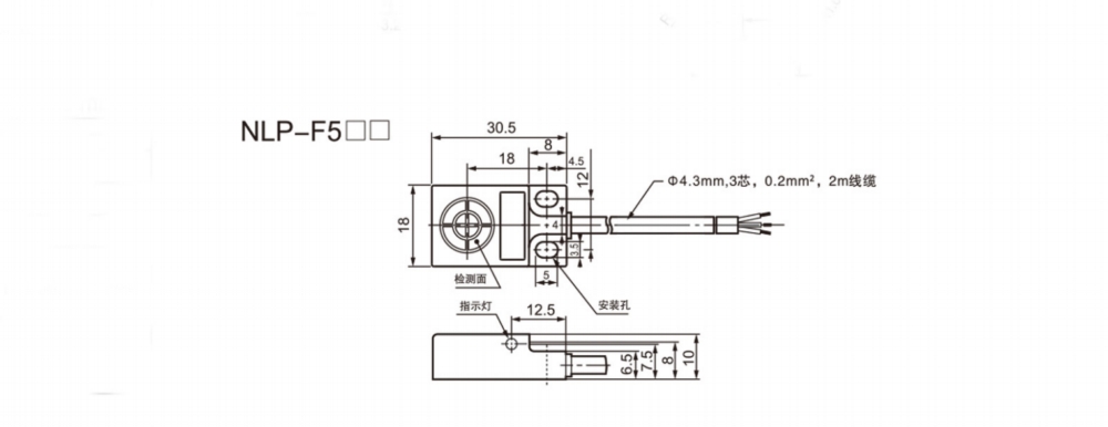
NLP - F5NA
|
|
最大检测距离 Max sensing distance
|
5mm ± 10%
|
|
稳定检测范围 Sensing distance
|
0 - 4mm
|
|
标准检测物体 Sensing object
|
铁 Iron, 18×18×1mm
|
|
电源电压 Voltage
|
12 - 24V DC 脉冲 pulse (P - P) 10% max.
|
|
消耗电流 Leakage current
|
10mA max.
|
|
控制输出 Control output
|
集电极开路输出 open - collector output 100mA max.(DC30V)
|
|
应差距离 Differential travel
|
检测距离的 10% 以下 10% max. of sensing distance
|
|
应差频率 Response speed
|
500Hz min.
|
|
回路保护 Protection circuits
|
逆向连接、浪涌吸收 Power supply reverse polarity protection, Surge suppressor
|
|
工作状态指示灯 Indicator
|
检测显示灯 (红色 LED) Detection indicator (red LED)
|
|
周围温度 Ambient temperature
|
工作时 / 保存时 Operating/Storage: - 25 - +70℃(不结冰不结露 with no icing or condensation)
|
|
周围湿度 Ambient humidity
|
工作时 / 保存时 Operating/Storage: 35 - 95% RH (不结冰 with no condensation)
|
|
残留电压 Residual voltage
|
1V max.(负荷 Load current: 50mA、导线长 Cable length: 2m)
|
|
绝缘电阻 Insulation resistance
|
50MΩ max.(DC500V) 充电部总体与外壳间 between current - carrying parts and case
|
|
耐电压 Dielectric strength
|
AC1000V 50/60Hz 1min 充电部总体与外壳间 between current - carrying parts and case
|
|
振动 (耐久) Vibration resistance
|
10 - 55Hz 复振幅 1.5mm X、Y、Z 各方向 2h double amplitude for 2 hours each in X,Y and Z directions
|
|
冲击 (耐久) Shock resistance
|
500m/s² X、Y、Z 各方向 3 次 500m/s² 3 times each X,Y and Z directions
|
|
保护构造 Degree of protection
|
IEC - IP67
|
|
材质 Material - 外壳 Case
|
耐热 Heat - resistant ABS
|
|
材质 Material - 检测面 Sensing surface
|
耐热 Heat - resistant ABS
|
|
质量 Weight
|
约 80g Approx.80g
|
|
配件 Accessories
|
——
|

<<< 光纤传感器专业性强,种类繁多,如有问题您可以咨询我们专业在线客服:0755-28858862 >>>